Optoelectronic Hybird Integration | E-mail:sales1@cqwiseworld.com
You are here: Home » Products » Optocoupler » Darlington W6140D/4W6132D/BW6151S

loading

Share to:
wechat sharing button
facebook sharing button
twitter sharing button
line sharing button
linkedin sharing button
whatsapp sharing button
sharethis sharing button

Darlington W6140D/4W6132D/BW6151S

The optocoupler uses thick film technology to integrate infrared emitting diodes and detector processing chips in a ceramic tube shell. They are darlington four-channel output which enables simultaneous isolation and control of multiple independent circuits, significantly simplifying system design and reducing space requirements in applications such as industrial automation control systems, power management modules, and multi-channel signal transmission setups. The detector processing chips integrated within the device are optimized for high-speed response and stable performance, ensuring accurate and rapid signal conversion and transmission. Similar to the W6127S, the ceramic tube shell packaging provides excellent thermal management, effectively dissipating heat generated during multi-channel operation, and offers superior mechanical robustness and resistance to environmental stresses including moisture, dust, and wide temperature fluctuations from -55℃~+125℃. This ensures consistent and reliable operation even in demanding industrial environments where stability and longevity are critical. The combination of multi-channel functionality, high reliability, and strong environmental adaptability makes the W6140D-4/W6132D-B/W6151S series ideal for use in complex electronic systems requiring precise isolation and control of multiple signals or loads.

 
Availability:
Quantity:

Application

Computer interface circuit

Microsystem interface circuit

Multi-channel data transmission

System test equipment isolation

Process control input/output isolation


Features

Isolation voltage > 1000V

Open collector reverse output

Low drive current 0.5mA

LSTTL/TTL/CMOS compatible

Operating temperature -55℃~+100℃



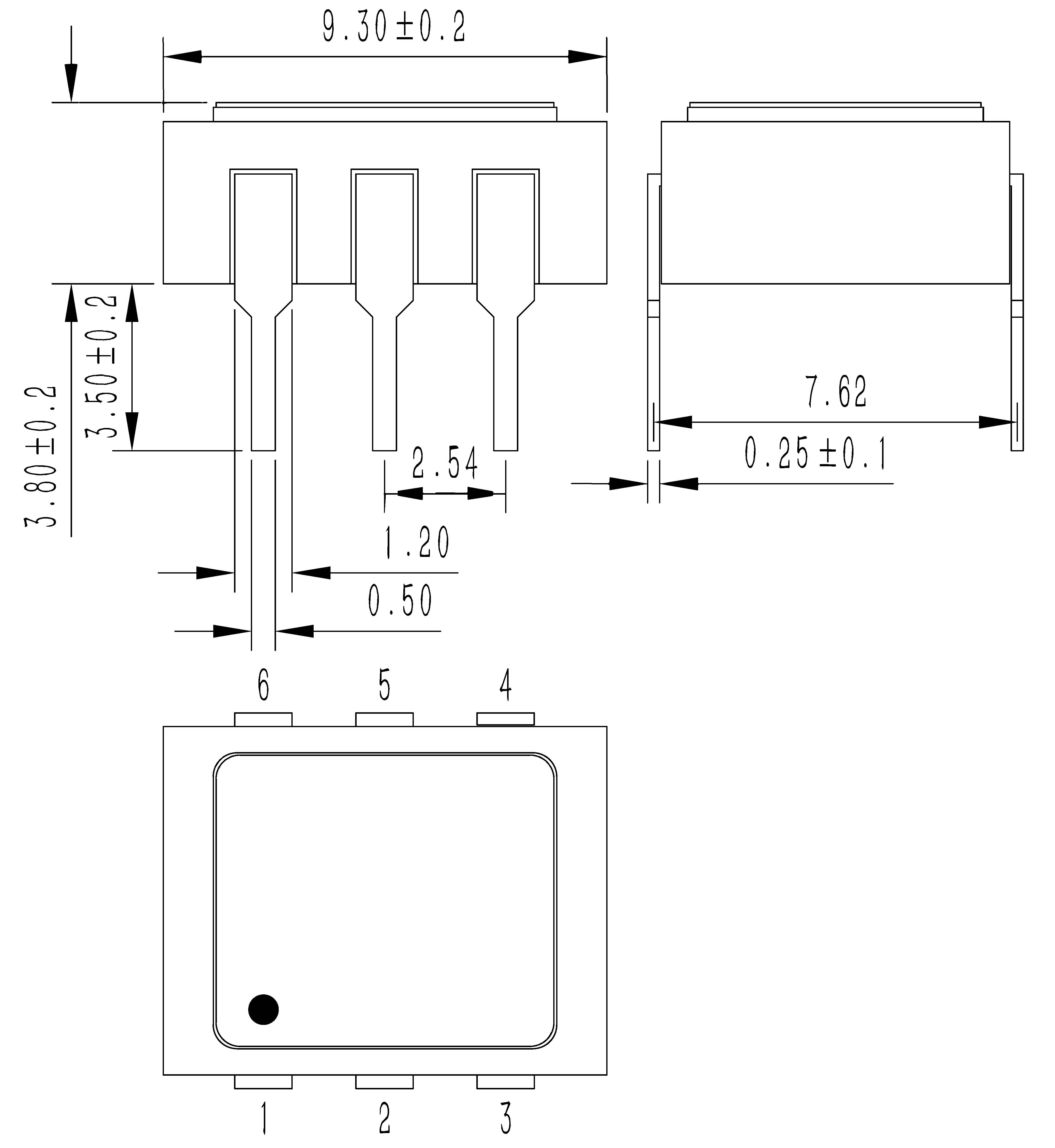
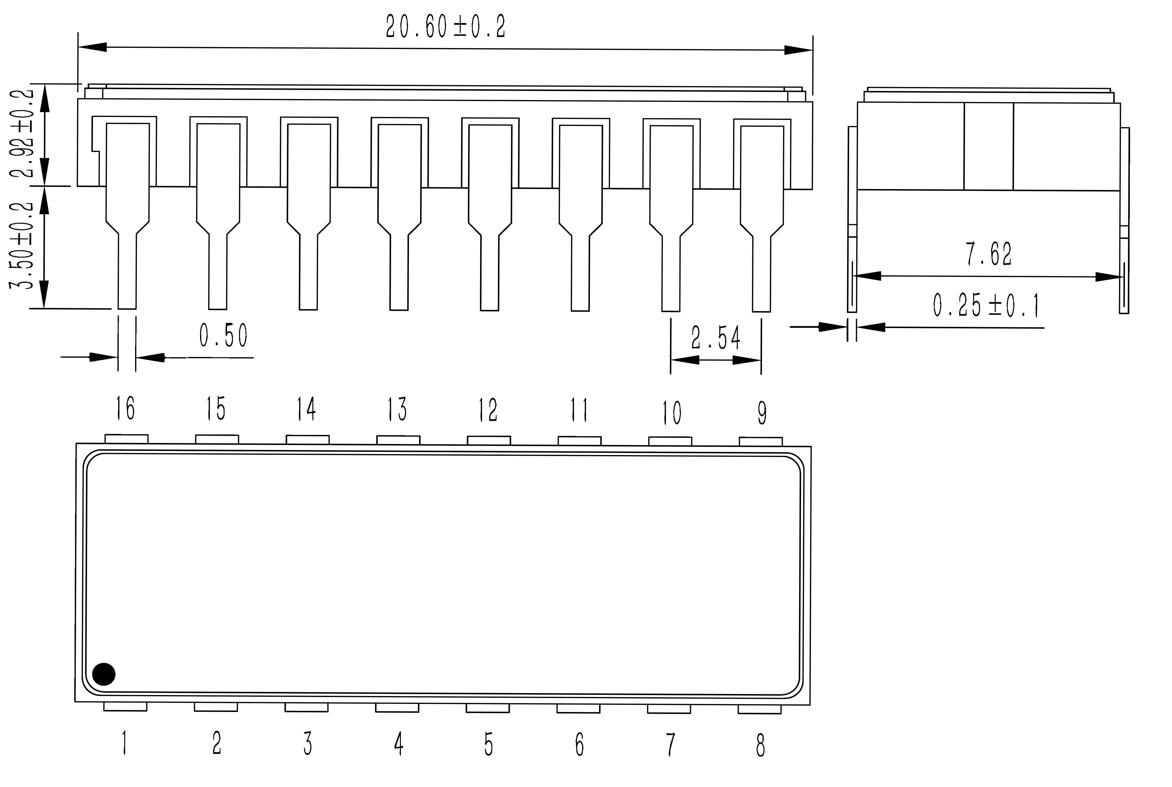
Dimensions and Pin Definition

Part NO. Package Dimensions Pin Definition(Top View)

W6140D-4

DIP16/ Quad Channel

W6132D-B

DIP6/ Single Channel


W6151S

SOP16/

Quad Channel



Previous: 
Next: 
Photoelectric transmission solutions, ceramic package optocouplers and optical MOS solid state relays.
 

Quick Links

Products Categories

Contact Us

Add: NO.7, Chahua Road, Nan'an District, Chongqing 401336, China.
VK / WeChat / WhatsApp:
+86-13308395418
Copyright © 2025 Wiseworld Technology Co., Ltd. All Rights Reserved. Privacy Policy | Sitemap