Optoelectronic Hybird Integration | E-mail:sales1@cqwiseworld.com
You are here: Home » Products » Optocoupler » High-speed W6231S/W6237D/W6231D/W6261S/W6234D-2/W6237D-4

loading

Share to:
wechat sharing button
facebook sharing button
twitter sharing button
line sharing button
linkedin sharing button
whatsapp sharing button
sharethis sharing button

High-speed W6231S/W6237D/W6231D/W6261S/W6234D-2/W6237D-4

This series of optocouplers uses thick film technology to integrate infrared emitting diodes and detector processing chips in a ceramic tube shell. The detector processing chip incorporates a high-gain phototransistor and signal conditioning circuitry, enabling efficient conversion of optical signals into electrical signals with minimal distortion. This integration not only simplifies the overall circuit design but also enhances the optocoupler's performance in terms of linearity and stability across a wide range of operating rigid and tough conditions. The ceramic tube shell provides excellent thermal conductivity and mechanical strength, effectively protecting the internal components from external environmental factors such as temperature fluctuations from -55℃~+125℃, humidity, and mechanical stress. Additionally, the open collector output allows for flexible interfacing with various logic families and external circuits, making it suitable for a diverse array of applications where electrical isolation and signal transmission integrity are critical requirements. The thick film technology employed in the manufacturing process ensures precise control over component parameters, leading to consistent performance and high reliability batch after batch.
Availability:
Quantity:

Application

• A/D, D/A conversion digital isolation

• Computer interface circuits

• Microsystem interface circuits

• High-speed logic circuits

• Level conversion

• Instrument input and output isolation

• Ground loop elimination

• Pulse transformer replacement


Features

• Isolation Voltage > 1000V

• Power supply voltage 2.7V~5.5V

• Maximum speed 10Mbit/s

• LSTTL/TTL compatible

• Operating temperature -55℃~+100℃


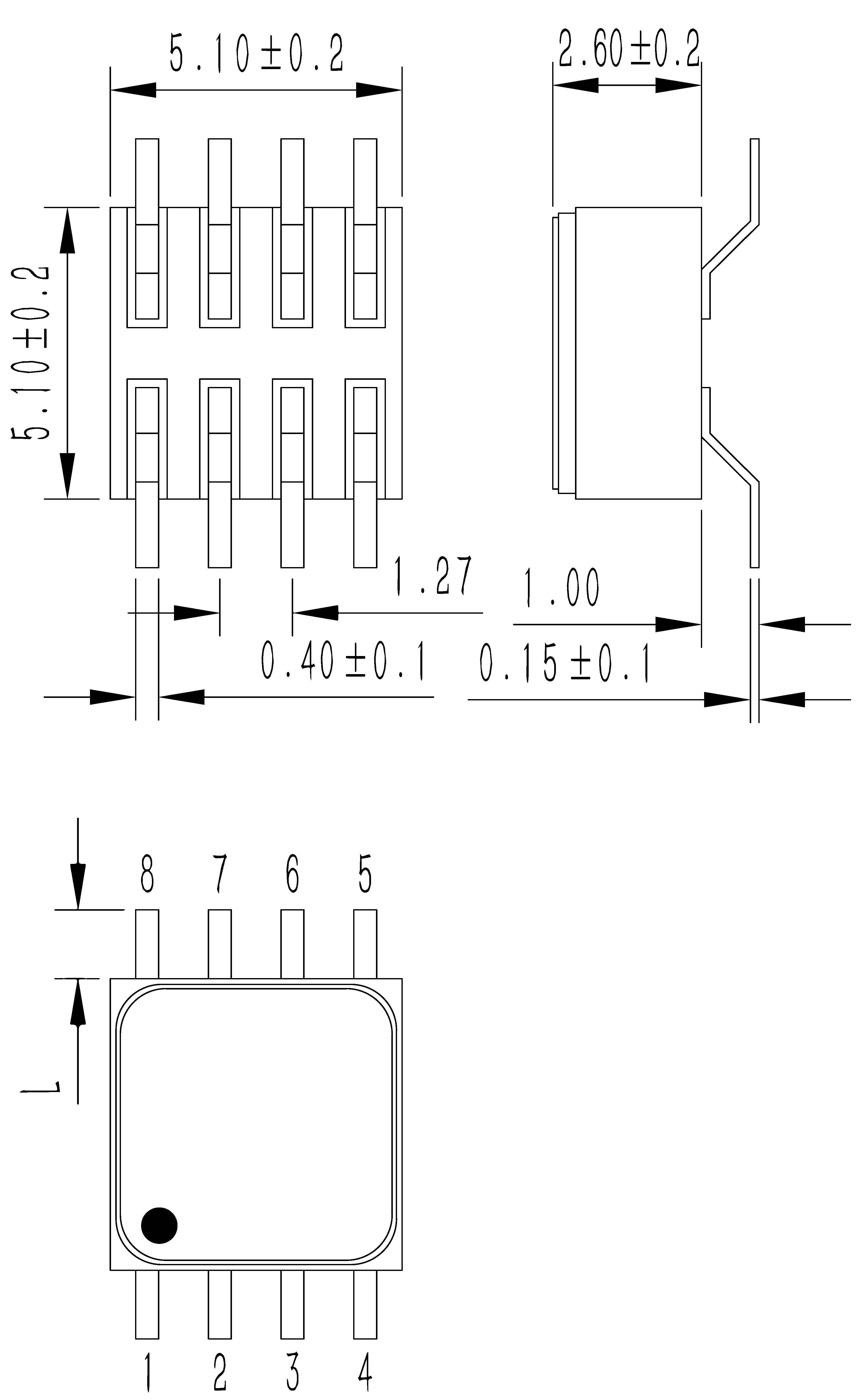
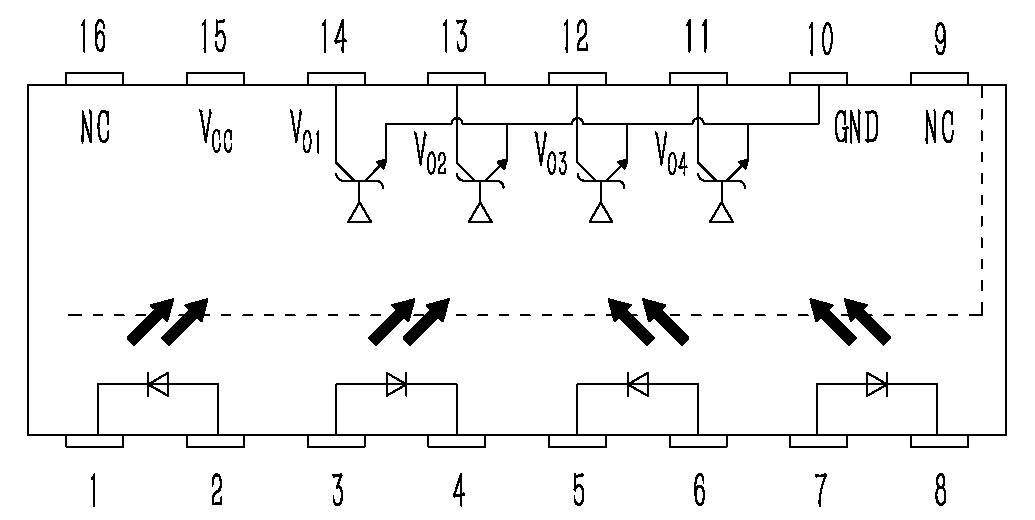
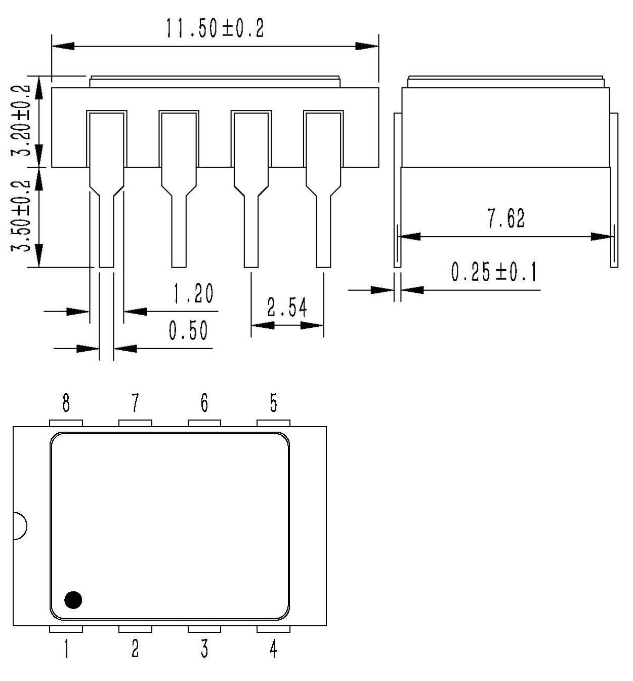
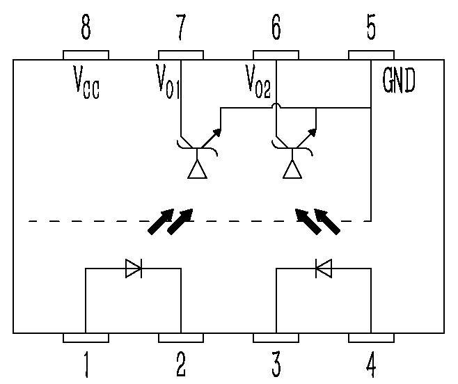
Dimension and Pin Definition

Part NO. Package Dimension(mm) Pin Definition(Top View)

W6231S

SOP8/ Dual Channel


W6237D

DIP8/ Single Channel



W6231D

DIP8/ Dual Channel


W6261S

SOP16/ Quad-channel


W6234D-2

DIP/ Dual Channel

25324


W6237D-4

DIP16/ Quad-channel

25324



Previous: 
Next: 
Photoelectric transmission solutions, ceramic package optocouplers and optical MOS solid state relays.
 

Quick Links

Products Categories

Contact Us

Add: NO.7, Chahua Road, Nan'an District, Chongqing 401336, China.
VK / WeChat / WhatsApp:
+86-13308395418
Copyright © 2025 Wiseworld Technology Co., Ltd. All Rights Reserved. Privacy Policy | Sitemap